ULEDBAR-BLK-01-3M Surface mounted black extrusion
Product Information
. Surface mounted black extrusion
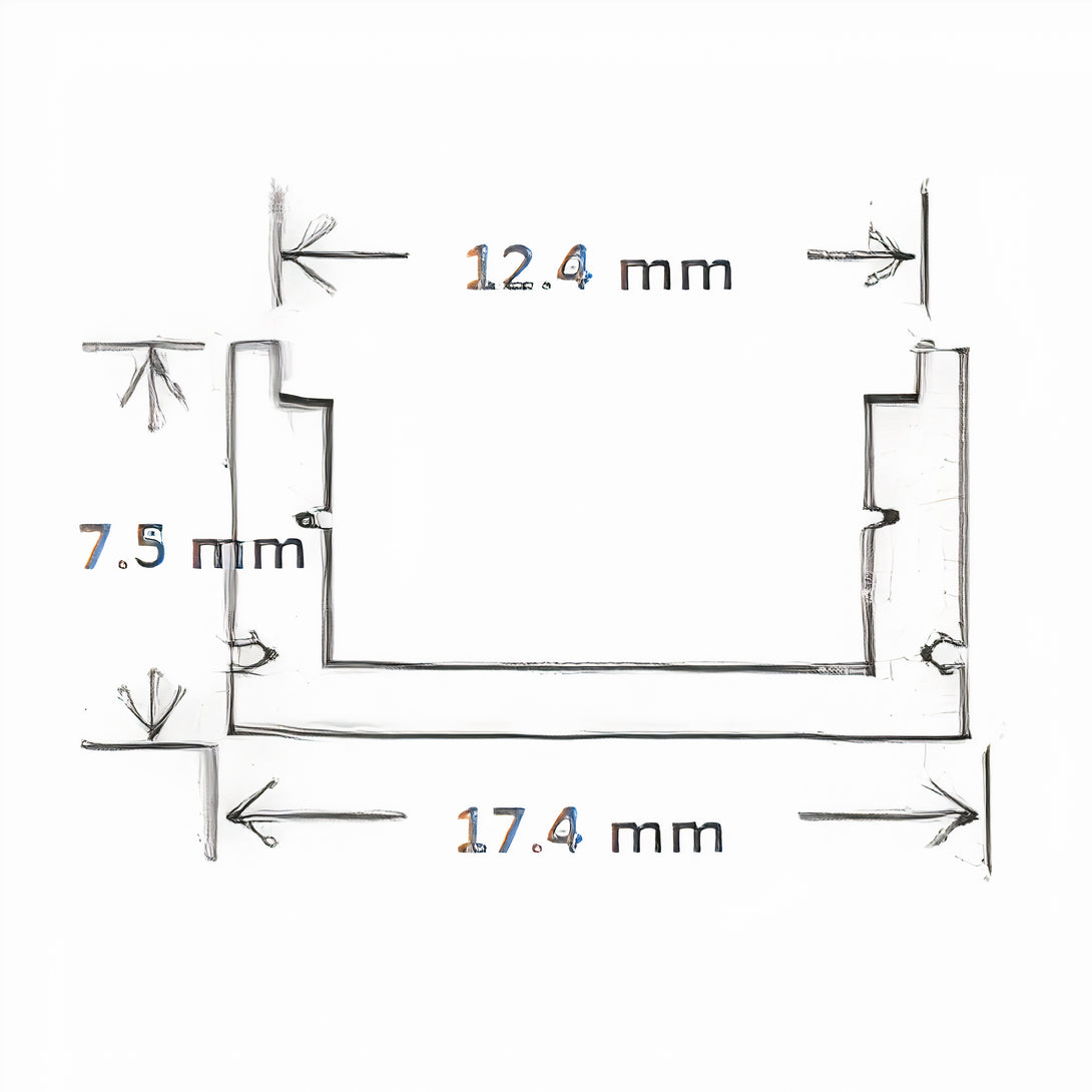
. Dimensions: W17.4 x H7.5 x L3000mm
. Finish: Black with black or opaque diffuser
. Complete with end caps, mounting clips & diffuser (can choose black diffuser or opaque diffuser)

ULEDBAR-BLK-01-3M Surface mounted black extrusion
$0.00